ГОСТ 19425-74
| Скачать |
МЕЖГОСУДАРСТВЕННЫЙ СТАНДАРТ
БАЛКИ ДВУТАВРОВЫЕ И ШВЕЛЛЕРЫ СТАЛЬНЫЕ СПЕЦИАЛЬНЫЕ
Сортамент
Special-purpose steel I-beams and channels. Dimensions
ОКП 09 2500
ГОСТ 19425-74
Взамен ГОСТ 5157-53 в части балок двутавровыхдля подвесных путей
Постановлением Государственного комитета стандартов Совета Министров СССР от 17 января 1974 г. Nf 149 дата введения установлена
01.01.75
Ограничение срока действия снято ио протоколу № 4—93 Межгосударственного совета по стандартизации, метрологии и сертификации (ИУС 4—94)
1. Настоящий стандарт распространяется на горячекатаные двутавровые балки для подвесныхпутей (М), армировки шахтных стволов (С) и швеллеры для автомобильной промышленности (С).
1а. По точности прокатки профили изготовляют:
- высокой точности — А,
- обычной точности — В.
(Введен дополнительно, Изм. № 2).
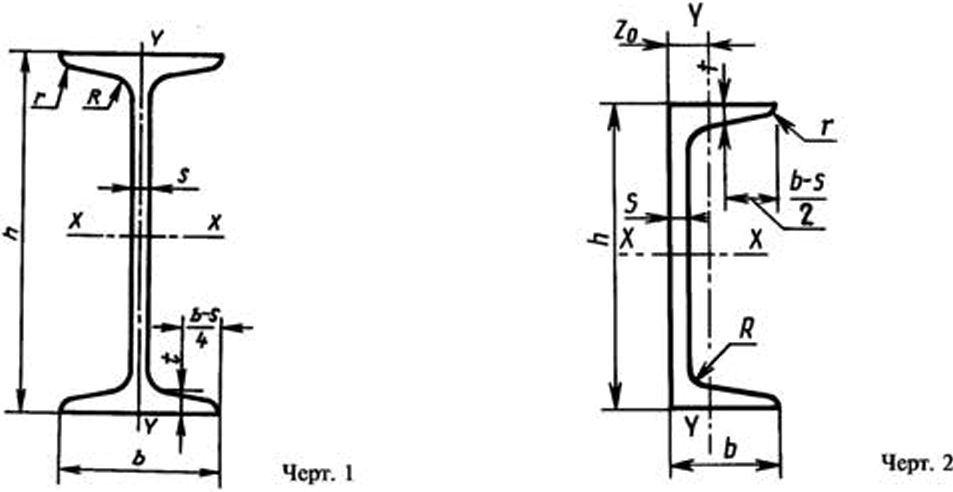
2. Форма, размеры балок и швеллеров, площадь поперечного сечения, масса 1 м и справочныевеличины должны соответствовать указанным на черт. 1 и 2 и табл. 1.

Примечание. Уклон внутренних граней
Примечание. Уклон внутренних граней полок
полок должен быть нс более: должен быть нс более 10 %.
- для балок М — 12 %;
- для балок С — 16 %.
Условные обозначения к черт. 1 и 2 и табл. 1:
h — высота:
b— ширина полки;
s — толщина стенки:
t— средняя толщина полки;
R — радиус внутреннего закругления;
г — радиус закругления полки;
I— момент инерции;
W — момент сопротивления;
i — радиус инерции;
S — статический момент полусечения;
z0 — расстояние от оси у — у до наружной грани стенки.
Таблица 1

Примечания:
- Площадь поперечного сечения и масса 1 м профиля вычислены по номинальным размерам. Привычислении массы 1 м профиля плотность стали принята равной 7,85 г/см3.
- Радиусы закруглений, указанные на черт. 1 и 2. на профилях нс определяются и даны для построениякалибра.
3. Предельные отклонения но размерам профилей до.чжны соответствовать указанным втабл. 2.
Таблица 2

Примечание. Определение толщины профилей проводится нр калибрам в валках при их рвсточке.
4. Уклон наружной грани профилей не должен превышать 0,0125 b.
По гребонинию потребителя профили нагого ВлякттсяС уклоном наружной Е'ранн натки не более 0,0125 b.
5. Кривизна стенки по высоте сечения профиля не должна превышать 0,15 s.
6. Притупление наружных кромок полок профилей до № 24 включительно не должно превышать 0,3 t, спыше № 24 - 3 mm.
7. По требованию потребителя несимметричность фланцев полок балок относительно вертикалькой оси должна привышать ½ суммы предельных отклонений по ширине полки.
6. 7, (Измененная редакция, Изч, № 2).
8. В соответствии с заказом балки и швеллеры изготовляются длиной от 4 до 13 м:
- мерной длины;
- кратной мерной длины;
- мерной длины с остатком: до 5 % массы партии;
- кратной мерной длины с остатком до 5 % массы партии;
- не мерной длины.
Остатком считаются профили длиной не менее 3 м.
9. По требованию потребителя допускается Нзгатовление профилей ограниченной длины в пределах немерной и длиной свыше 13 м.
(Измененная редакция, Изм. №2).
10. При изготовлении профилей немерной длины допускается наличие профилей длиной неменее 3 м и количестве не более 5 % массы партии.
11. Предельные отклонении по длине профилей мерной и кратной мерной длины не должны превышать;
- + 40 мм — при длине до 8 м;
- + 80 мм при длине св. 8 м.
Предельные отклонения по длине профилей мерной и кратной мерной длины для высокой точности прокатки не должны превышать;
- + 40 мм — при ллине до 8 м;
- + 5 мм на каждый метр свыше 8 м.
12. Кривизна профилей и вертикальной к горизонтальной плоскостях не должна превышать 0.2 % длины.
Кривизна профилей в вертикальное и горизонтальной плоскостях для высокой точности прокатки не должна превышапь 0,15 % длины для профилей высотой до 360 мм и 0,1 % длины — для профилей высотой свыше 360 мм.
10—12, (Измененная редакция, Нам. № 2).
13. На каждом профиле дополнительно к требованиям ГОСТ 7566—94 в части маркировки проката должен быть нанесен номер профиля с индексами М или С (18М. 20Са, 36С и т. д.).
14. Определение размеров проводится на расстоянии не менее 500 мм от торца профиля.Высота балки измеряется по оси у — у, швеллера — в плоскости стенки.
15. Предельные отклонения но массе 1 м профиля не должны превышать плюс 3 — минус 5 %.Предельные отклонения проверяются предприятием-изготовителем взвешиванием партии массой20—60 т от каждых 400—500 т проката или кусков профиля длиной не менее 300 мм. отбираемыхпри прокатке не реже, чем через каждые 100 прокатанных штанг.
16. Марки стали и технические требования — но ГОСТ 535—88 и другим действующим стандартам. оговоренным в заказе.
17. (Исключен, Изм. № 2).







